Вентиляторы осевые типа ВО 16-310
Вентиляторы осевые предназначены для перемещения воздуха и других газовых смесей, агрессивность которых по отношению к углеродистым сталям, обыкновенного качества, не выше агрессивности воздуха с температурой до + 50 °С, не содержащих липких веществ и волокнистых материалов, механических примесей более 10 мг/м3.
Вентиляторы применяются в стационарных системах вентиляции и воздушного отопления производственных, общественных и жилых зданий, а также для других санитарно-технических и производственных целей.
Низкого давления
Количество лопаток 6
Исполнение вентиляторов по назначению и материалам:
-общего назначения;-коррозионно-стойкие из нержавеющей стали;
-взрывозащищенные из разнородных материалов и алюминиевых сплавов.
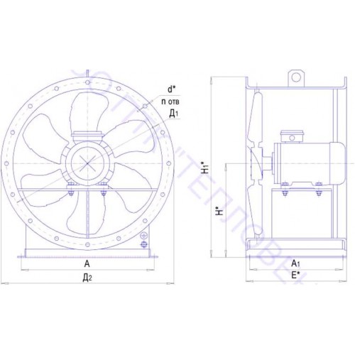
ГАБАРИТНЫЕ И ПРИСОЕДИНИТЕЛЬНЫЕ РАЗМЕРЫ
|
№ |
А |
А! |
д |
л |
Д2 |
d* |
Н/ |
И* |
Е max |
п |
|
2,5 |
250 |
140 |
250 |
280 |
300 |
7 |
310 |
160 |
200 |
8 |
|
3,15 |
280 |
216 |
315 |
335 |
355 |
7 |
370 |
190 |
280 |
8 |
|
3,5 |
335 |
230 |
350 |
390 |
412 |
7 |
426 |
220 |
290 |
8 |
|
4 |
360 |
236 |
400 |
430 |
460 |
7 |
470 |
245 |
300 |
8 |
|
5 |
450 |
251 |
500 |
530 |
560 |
7 |
580 |
300 |
315 |
16 |
|
5,6 |
510 |
272 |
560 |
595 |
620 |
7 |
605 |
335 |
335 |
16 |
|
6,3 |
550 |
285 |
630 |
660 |
695 |
9 |
700 |
360 |
345 |
16 |
|
8 |
744 |
340 |
800 |
840 |
876 |
9 |
890 |
455 |
440 |
16 |
|
10 |
900 |
460 |
1000 |
1045 |
1070 |
10 |
1075 |
550 |
540 |
16 |
|
12,5 |
1100 |
610 |
1250 |
1295 |
1325 |
10 |
1400 |
700 |
680 |
16 |

